business

Shield-TBM

공법 개요
Shield-TBM 공법은 원통형 쉴드(Steel)를 갖춘 굴착 방식으로서, Cutter head를 회전시켜 지반을 굴착과 동시에 콘크리트 또는 강재세그먼트를 조립하여 1차 터널 구조물을 형성하고 기 설치된 세그먼트를 반력으로 활용하여 중∙대단면터널을 시공하는 기계화 굴착 공법이다.

장비 개요도

Shiel-TBM 장비 개요도(EPB)

Shiel-TBM 장비 개요도(SPB)

공법 특징

  • 터널 굴진과 동시에 후방에서 세그먼트를 설치하여 지보 역할 및 지반안정성을 확보하는 공법

적용 분야

  • 중∙장거리 (1,000m이상) 및 중∙대구경 (ø1,800 이상) 공사
  • 도로, 철도, 지하철, 전력구 등 중∙대단면 터널공사

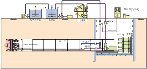
Semi-Shield

공법 개요
Semi-Shield 공법은 수직구 반력벽에 유압식 추진 잭을 설치하여 추진관 압입 및 연속 터널 시공이 가능한 기계화 굴착 공법이다.

공법 개요도

Semi-Shield 공법개요도(SPB)

공법 특징

  • Semi-Shield 추진관 설치를 통한 굴진면 붕괴 방지 및 터널형상 유지가능
  • 추진관의 전연장을 연속적으로 재킹(Jacking)하는 방식으로소형 단면(ø1,350~ø2,800)에적합

적용 분야

  • 중∙단거리 (300~700m) 및 소구경(ø2,800 이내) 공사
  • 상∙하수도관, 가스관, 통신관, 전력선 등 소단면 관로 매설 공사

복합 Shield

공법 개요
복합 Shield 공법은 초기 굴진 시 Semi-Shield 방식을 적용하고, 본 굴진 단계에서 Shield TBM으로 전환하여 시공되는 하이브리드 터널 공법이다.

복합쉴드 적용조합 및 체결장치 적용 위치

공법 특징

  • Semi-Shield 대비 선형 구간에서의 운영이 원활하므로 곡선 구간 및 종단 구배에 대한 대처가 가능함
  • Semi-Shield의 장거리 추진에 대한 적용 한계점과 Shield TBM의 굴진거리 1km 전후 적용시 발생되는 높은 시공비를 개선하고자 경제적이면서 작업효율을 증진 시킨 공법

적용 분야

  • 중거리(500~1,500m) 및 중·소구경(ø2,400~ø2,600) 공사에서 적용이 유리함
  • 철도 및 도로 하부 통과 구간에 침하 방지를 위한 신속한 시공이 가능하며 본 굴진에서는 쉴드방식으로 곡선부시공 적용이 가능함

TNPS(TBM Pilot & NATM Extension by Protection Shield)

공법 개요
방호쉴드(Protection Shield) 시스템을 활용하여 TBM 선행(Pilot)굴진과 후방의 NATM 확공발파(단면확대)를 동시에 수행하는 공법으로 시공성, 경제성 및 안정성이 우수한 공법이다.

공법 개념

공법 특징

  • 방호쉴드(Protection shield)를 이용하여 TBM 선행(Pilot) 굴진과 후방의 NATM 발파를 동시에 수행하는 공법
  • TBM 선행굴진을 이용한 대구경 자유면 확보를 통한 발파 소음·진동 감소효과 확실
  • 기존공법(TBM 굴진완료 後 + NATM 발파) 대비 굴착속도 증가를 통한 공기절감
  • 방폭압쉴드 적용으로 발파시 TBM기계, 오퍼레이터 안정성 확보

적용 분야

  • GTX-A,B,C 노선(수도권 광역급행철도)
  • 장대도로 터널(고속도로 지하화)
  • 대형철도사업 (인덕원-동탄, 월곶-판교 복선전철 등)
  • 침수방지용 우수, 배수터널, 대규모 빗물저장용 터널
  • 대심도 지하도로

분할패널형 비개착 공법(S.P.S, Separate Panel Shield)

공법 개요
S.P.S 공법은 굴착 전 상부보강(소구경루프) 선시공으로 구조적으로 안정성을 확보하고, 굴착 중  SPS 패널을 선관입하여 지반침하를 방지하며, 분할형 채널 적용으로 발진기지 최소화 등 협소공간에 시공성 및 안전성이 우수한 공법이다.

Messer Shield와 SPS공법 비교

Messer Shield 공법

- 일체형패널 적용으로 발진작업구 면적

- 면적증가 및 굴절부에 확폭부 과다발생

SPS 공법

- 분할형패널 적용으로 발진작업구 면적

- 면적축소 및 굴절부에 확폭부 최소화

적용 분야

  • 전력구, 통신구 공사
  • 도로하부 비개착 통과 지하차도 및 보도 신설
  • 지하연결통로 Box(건물 ↔ 건물, 지하철 ↔ 건물, 지하철 ↔ 지하철)
  • 기타 지중관로 공사

PC 보도블럭

공법 개요
전력 또는 통신등의 쉴드터널에서 선로의 가설 및 유지관리를 위한 터널내 보도설치시 기존 현장타설 공법을 PC(Precast Concrete)공법으로 변경하여, 공기 및 공비의 절감 뿐만 아니라, 품질확보에 용이한 공법이다.

단면 개요도

상세도

설치개요도

공법 적용효과

  • 공정 단순화를 통한 시공성 향상
  • 시공성 개선으로 공사기간 단축 및 원가절감 (기존현장타설 공법 대비 65%이상 공기단축)
  • 공종의 단순화로 인한 품질확보 용이

공법 적용처

  • 선로 또는 Tray의 설치가 필요한 터널
  • 전력구,통신구 등 준공후 유지보수를 위해 보도가 필요한 터널